B13BD:1C [DASH_ESU]
id990260119200
| System malfunction location |
Heated steering wheel control unit power supply circuit malfunction |
|---|---|
|
Detection condition
|
• The dash-electrical supply unit detects a malfunction in the steering warmer control unit power supply circuit.
|
|
Fail-safe
|
• Stops the steering warmer output.
|
|
Possible cause
|
1. DTCs are stored in the following modules.
2. IG1 relay No.2 malfunction(Refer to [RELAY INSPECTION] in workshop manual.)
3. Malfunction in wiring harness (including connector/terminal) between IG1 relay No.2 and heated steering wheel control unit (See CIRCUIT INSPECTION.) (See CONNECTOR INSPECTION.)
4. Malfunction in wiring harness (including connector/terminal) between heated steering wheel control unit and body ground (See CIRCUIT INSPECTION.) (See CONNECTOR INSPECTION.)
5. Clock spring malfunction (Refer to [CLOCK SPRING INSPECTION] in workshop manual.)
6. Heated steering wheel control unit malfunction (Refer to [HEATED STEERING WHEEL CONTROL UNIT REMOVAL/INSTALLATION] in workshop manual.)
7. Dash-electrical supply unit malfunction (Refer to [DASH-ELECTRICAL SUPPLY UNIT REMOVAL/INSTALLATION] in workshop manual.)
|
|
Repeatability verification procedure
|
1. Clear the DTC recorded in the memory. (See CLEARING DTC.)
|
![]() |
|
|
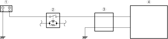
1
|
Battery/lead-acid battery
|
|
2
|
IG1 relay No.2
|
|
3
|
Clock spring
|
|
4
|
Heated steering wheel control unit
|
