B10E7:11 [BCM]
id990210109100
| System malfunction location |
IG1 relay circuit malfunction |
|---|---|
|
Detection condition
|
• The body control module (BCM) detects a short to ground in the IG1 relay circuit.
|
|
Fail-safe
|
• Cancels the i-stop control.
|
|
Possible cause
|
1. IG1 relay No.1 malfunction (Refer to [RELAY INSPECTION] in workshop manual.)
2. IG1 relay No.2 malfunction(Refer to [RELAY INSPECTION] in workshop manual.)
3. Malfunction in wiring harness (including connector/terminal) between IG1 relay No.1 and body control module (BCM) (See CIRCUIT INSPECTION.) (See CONNECTOR INSPECTION.)
4. Malfunction in wiring harness (including connector/terminal) between IG1 relay No.2 and body control module (BCM) (See CIRCUIT INSPECTION.) (See CONNECTOR INSPECTION.)
5. Body control module (BCM) malfunction (Refer to [BODY CONTROL MODULE (BCM) REMOVAL/INSTALLATION] in workshop manual.)
|
|
Repeatability verification procedure
|
1. Clear the DTC recorded in the memory. (See CLEARING DTC.)
|
![]() |
|
|
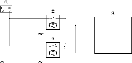
1
|
Battery/lead-acid battery
|
|
2
|
IG1 relay No.1
|
|
3
|
IG1 relay No.2
|
|
4
|
Body control module (BCM)
|
